Cr125 Engine Diagram

For a high performance motocross or trail experience your 2002 honda cr125r delivers every time you get behind its handlebars.
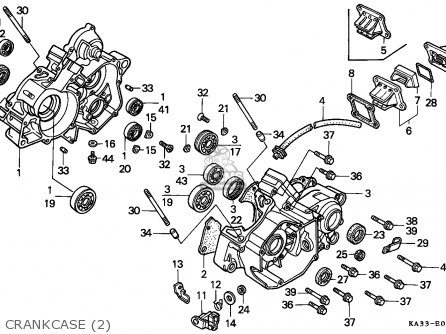
Cr125 engine diagram. View and download honda cr125r 2006 owner s manual online. All of the parts for all honda cr125 models we have in stock are listed below. Free shipping on many items browse your favorite brands. Navigate your 2004 honda cr125r schematics below to shop oem parts by detailed schematic diagrams offered for every assembly on your machine.
Shop our large selection of 2001 honda cr125r a oem parts original equipment manufacturer parts and more online or call at 231 737 4542. Honda cr125 1997 engine cases cr125 crank case set 11100 kz4 b00 11200 kz4 b00. A movie produced by frez productions frez. Cr125r 2006 motorcycle pdf manual download.
All honda cr125 parts. This rear wheel fiche contains the largest amount of spare parts with forty six listed items the cr125r elsinore 1979 z usa parts manuals are put online for your convenience and may be accessed any time free of charge. In today s episode in the cr125 build series i am going to be putting the top end onto the cr125 engine. We then replace every bearing and gasket in the bottom end the entire crank assembly and a new piston.
Simply send us your engine and we ll split the cases inspecting every part along the way to ensure it is in good health. Myself when i changed the piston on the honda cr125. 2007 cr125r cr 125r. We upload new stock regularly so if you cannot find what you are looking for then you can either contact us or check this site again soon.
We then bag the engine box it up and ship it back to you anywhere in the u s. Bike motorcycle crashes motorcycle funny mx gopro stunts motor fast speed engine. Cr125r elsinore 1979 z usa section with thirteen engine nineteen frame six other schematic pages.