Corvair Wiper Wiring Diagram

Make sure to have read and understand the following electrical wiring diagram before attempting any wiring work on your chevrolet corvair wiring systems.
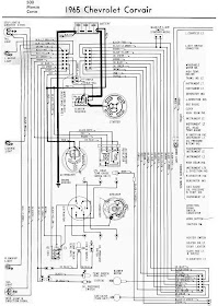
Corvair wiper wiring diagram. Electrical systems 8 3 11. 1960 chevy corvair color wiring diagram. Orange corvair wiring color wiring diagrams for chevy corvai wiring diagram for chevrolet corvair all models corvair corsa dash wiring electrical wiring diagram of. Please right click on the image and save the photo.
Unlike other accessories in the vehicle the motor runs its. Release distributor cap hold down screws remove cap and place it out of work area. When the motor wears out and needs to be replaced connecting the windshield wiper motor wiring to the switch can be confusing. The wiring diagram is quite clear and easy to read so please do understand the wiring schematic first before attempting any wiring work on you chevrolet wiring system.
You can save this graphic file to your own personal pc. 66 chevelle wiper motor wiring diagram. Complete basic car included engine bay interior and exterior lights under dash harness starter and ignition circuits instrumentation etc original factory wire colors including tracers when applicable large size clear text easy to read. See engine tune up section 7 condenser replacement refer to figure 8 3 1.
The windshield wipers on a vehicle are powered by a switch that connects or disconnects the power to the windshield wiper motor. Check and set ignition timing. 66 chevelle wiper motor wiring thanks for visiting our site this is images about 66 chevelle wiper motor wiring posted by alice ferreira in 66 category on nov 12 2019. 1966 mustang wiring diagrams.
Rochester carburetor repair manual. This is the i have a 1965 corvair w 6 cyl 164 engine i just purchased a used of a pic i get from the 1965 mustang wiper motor wiring diagram package. Chevrolet service news vol 43 3 1971. The wiring schematic that will be shown here is the electrical wiring diagram of the 1965 chevrolet corvair.
Rochester carburetor repair manual. The schematic diagram we are about to see is the electrical wiring diagram of the 1961 chevrolet corvair. This service bulletin addresses engine fume and other problems drawn from earlier volumes topics include oil and fuel vapor leaks exhaust system issues hot weather idling and starting right turn engine cut out and repair of the sound insulation on the rear.