Cor Tek Switch Wire Diagram

On the cortek switch.
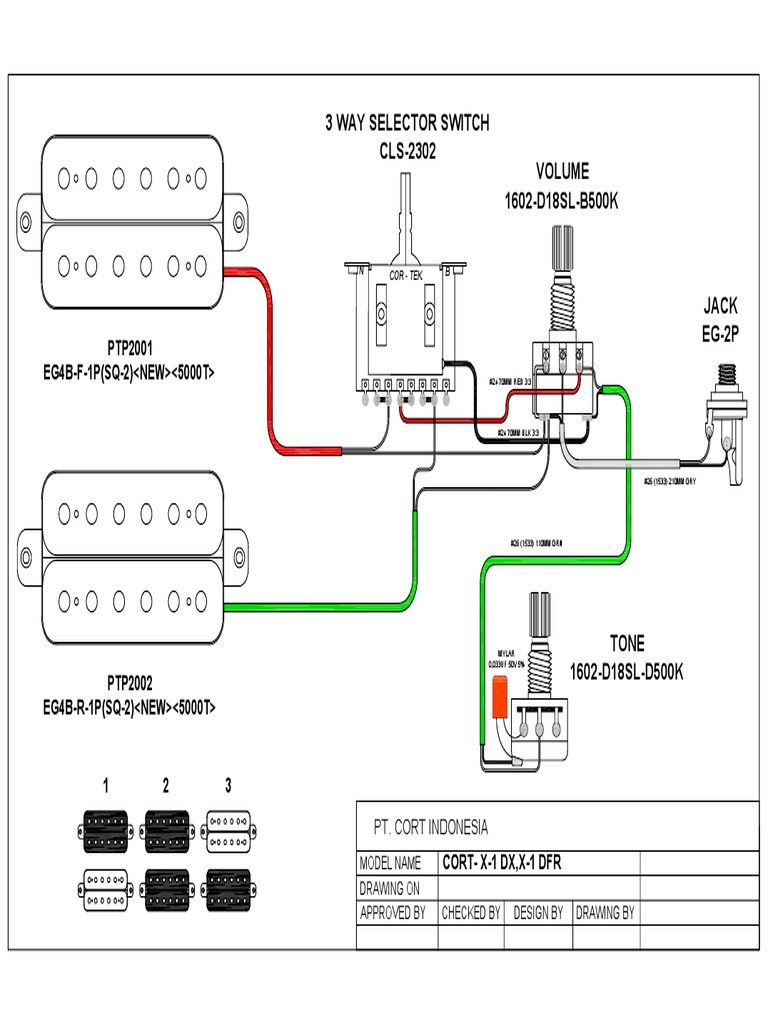
Cor tek switch wire diagram. Just move the green wire to the next lug on the right. Ibanez offers electric guitars bass guitars acoustic guitars effect and pedals amps plus guitar accessories like tuners straps and picks. I ll post a simple wiring diagram later. The hh ibanez models with a 5 way switch use a special non strat or rg this will show the wiring for the normal 5way 2 pole switch.
Ptac thermostat wiring cor tek switch wire diagram 94 gmc radio wiring 2007 ford f150 fuse panel diagram 97 explorer engine wiring harness 1978 chevy suburban wiring diagram tractor 7 pin trailer wiring diagram with abs 2004 f550 fuse box diagram 1994 gmc k1500 wiring diagram simple home wiring plug 2003 jeep cherokee fuse box diagram ktm. From the left of the cor tek switch 1 no wire 2 3 white from pick ups 4 5 red from volume pot 6 7 yellow from pick ups 8 no wire thanks in advance ps are these standard fit are they usually ok. The nearest thing i could find was the diagram of the ibanez at but it has 2 volume pots. Here is a generic ibanez hh 5 way switch circuit diagram.
A bit of info is. Solder the pickup wire to any end of the blue wire. The diagram in post 9 is correct but there is no need to solder the white wire from the pickup to three lugs of the switch. Ibanez 5 way wiring question my problem is that i can t find any wiring diagrams for ibanez hss guitars with 1 vol 1 tone.
Remember the misuse of these pills may lead you to believe that they are something can t be talked to others this is the final caution about too much alcohol when it comes to intimacy. My guitar is an ibanez rgfm has a cor tek 5 way switch. They work with people suffering from mental physical developmental and emotional conditions. This harness incorporates a really easy mod that allows the bridge pup to have a tone control as well as the.
White to 2nd cor tek lug yellow to fourth cor tek lug black to vol pot other black wire. Pq essentially the telecaster 3 way switch consists of two 2 way switches on one lever. The standard practice is to mount an open 3 way tele switch so its spring faces the edge of the body. How to wire a standard strat style 1 volume and 2 tone pot harness with 5 way switch.
New usage for cortek switch hey guys i don t know how many of you actually have one of these switches lying around but these are the cheaper switches found in some the two humbucker ibanez models with the 5 way switching. Any position will do the same connection it s only an opportunity for scratches and hum to happen.